S'exercer à la modélisation

Une série de pièces et de plans permettant de s'exercer à la CAO

S'exercer à la modélisation

Cette page recense un large ensemble de pièces types permettant de s’exercer à l’utilisation des logiciels de CAO.

Durée :
Difficulté :

Pré-requis :

Logiciels :

Documentation réalisée à 10% 10
Créée par :  Adrien Bracq

L’ordre des exercices n’est pas imposé. Vous pouvez les réaliser librement selon vos envies, votre niveau ou les compétences que vous souhaitez renforcer. L’objectif est de choisir les pièces qui vous intéressent et de progresser à votre rythme.

Pièce 03 - Équerre de fixation

Difficulté : ★

                                                                                                                                                                                                                                                                                                                      <div class="divider is-right"><a href="#">Top ↑</a></div>
                                                                                                                                                                                                                                                                                                                      >

Pièce 04 - Support de palier

Difficulté : ★

                                                                                                                                                                                                                                                                                                                      <div class="divider is-right"><a href="#">Top ↑</a></div>
                                                                                                                                                                                                                                                                                                                      >

Pièce 05 - Support d’axe cylindrique

Difficulté : ★

                                                                                                                                                                                                                                                                                                                      <div class="divider is-right"><a href="#">Top ↑</a></div>
                                                                                                                                                                                                                                                                                                                      >

Pièce 01 - Levier usiné

Difficulté : ★★★

Conseil : prenez le temps de réfléchir à l’ordre de conception et à la position des plans de référence avant de commencer le modèle. Cela vous évitera des contraintes inutiles ou des ajustements complexes par la suite.

                                                                                                                                                                                                                                                                                                                      <div class="divider is-right"><a href="#">Top ↑</a></div>
                                                                                                                                                                                                                                                                                                                      >

Pièce 06 - Berceau de support

Difficulté : ★★★

Conseil : pensez à créer des plans de construction et à réaliser la découpe cylindrique dans une fonctione séparée.

                                                                                                                                                                                                                                                                                                                      <div class="divider is-right"><a href="#">Top ↑</a></div>
                                                                                                                                                                                                                                                                                                                      >

Pièce 07 - Support à rainure cylindrique

Difficulté : ★★

                                                                                                                                                                                                                                                                                                                      <div class="divider is-right"><a href="#">Top ↑</a></div>
                                                                                                                                                                                                                                                                                                                      >

Pièce 08 - Châssis porteur ajouré

Difficulté : ★★★

                                                                                                                                                                                                                                                                                                                      <div class="divider is-right"><a href="#">Top ↑</a></div>
                                                                                                                                                                                                                                                                                                                      >

Pièce 09 - Support d’articulation

Difficulté : ★★★

                                                                                                                                                                                                                                                                                                                      <div class="divider is-right"><a href="#">Top ↑</a></div>
                                                                                                                                                                                                                                                                                                                      >

Pièce 10 - Support à double perçage

Difficulté : ★★

                                                                                                                                                                                                                                                                                                                      <div class="divider is-right"><a href="#">Top ↑</a></div>
                                                                                                                                                                                                                                                                                                                      >

Pièce 11 - Support hémicylindrique

Difficulté : ★★

Conseil : dans un premier temps, contentez-vous de percer le trou au bon diamètre sans ajouter de filetage.

                                                                                                                                                                                                                                                                                                                      <div class="divider is-right"><a href="#">Top ↑</a></div>
                                                                                                                                                                                                                                                                                                                      >

Pièce 12 - Arbre à méplat

Difficulté : ★★

                                                                                                                                                                                                                                                                                                                      <div class="divider is-right"><a href="#">Top ↑</a></div>
                                                                                                                                                                                                                                                                                                                      >

Pièce 13 - Support de serrage

Difficulté : ★★★

                                                                                                                                                                                                                                                                                                                      <div class="divider is-right"><a href="#">Top ↑</a></div>
                                                                                                                                                                                                                                                                                                                      >

Pièce 14 - Moyeu à trois branches

Difficulté : ★★★

                                                                                                                                                                                                                                                                                                                      <div class="divider is-right"><a href="#">Top ↑</a></div>
                                                                                                                                                                                                                                                                                                                      >

Pièce 15 - Bride ovale

Difficulté : ★★★

                                                                                                                                                                                                                                                                                                                      <div class="divider is-right"><a href="#">Top ↑</a></div>
                                                                                                                                                                                                                                                                                                                      >

Pièce 16 - Arbre porte-pièce

Difficulté : ★★★

                                                                                                                                                                                                                                                                                                                      <div class="divider is-right"><a href="#">Top ↑</a></div>
                                                                                                                                                                                                                                                                                                                      >

Pièce 17 - Support à rainures

Difficulté : ★★★

                                                                                                                                                                                                                                                                                                                      <div class="divider is-right"><a href="#">Top ↑</a></div>
                                                                                                                                                                                                                                                                                                                      >

Pièce 18 - Equerre

Difficulté : ★

                                                                                                                                                                                                                                                                                                                      <div class="divider is-right"><a href="#">Top ↑</a></div>
                                                                                                                                                                                                                                                                                                                      >

Pièce 19 - Palier ouvert

Difficulté : ★★

                                                                                                                                                                                                                                                                                                                      <div class="divider is-right"><a href="#">Top ↑</a></div>
                                                                                                                                                                                                                                                                                                                      >

Pièce 20 - Chape double ovale

Difficulté : ★★★

                                                                                                                                                                                                                                                                                                                      <div class="divider is-right"><a href="#">Top ↑</a></div>
                                                                                                                                                                                                                                                                                                                      >

Pièce 21 - Chape à embase inclinée

Difficulté : ★★

                                                                                                                                                                                                                                                                                                                      <div class="divider is-right"><a href="#">Top ↑</a></div>
                                                                                                                                                                                                                                                                                                                      >

Pièce 1015 - Moyeu à trois branches ajouré

Difficulté : ★★

                                                                                                                                                                                                                                                                                                                      <div class="divider is-right"><a href="#">Top ↑</a></div>
                                                                                                                                                                                                                                                                                                                      >

Pièce 1137 - Poulie ajourée

Difficulté : ★★

                                                                                                                                                                                                                                                                                                                      <div class="divider is-right"><a href="#">Top ↑</a></div>
                                                                                                                                                                                                                                                                                                                      >

Pièce 22 - Berceau de palier

Difficulté : ★★

                                                                                                                                                                                                                                                                                                                      <div class="divider is-right"><a href="#">Top ↑</a></div>
                                                                                                                                                                                                                                                                                                                      >

Pièce 23 - Chape carrée à double fente

Difficulté : ★★

                                                                                                                                                                                                                                                                                                                      <div class="divider is-right"><a href="#">Top ↑</a></div>
                                                                                                                                                                                                                                                                                                                      >

Pièce 24 - Support articulé à axe décalé

Difficulté : ★★

                                                                                                                                                                                                                                                                                                                      <div class="divider is-right"><a href="#">Top ↑</a></div>
                                                                                                                                                                                                                                                                                                                      >

Pièce 25 - Bras de levier percé

Difficulté : ★★

                                                                                                                                                                                                                                                                                                                      <div class="divider is-right"><a href="#">Top ↑</a></div>
                                                                                                                                                                                                                                                                                                                      >

Pièce 27 - Support décalé à nervures

Difficulté : ★★

                                                                                                                                                                                                                                                                                                                      <div class="divider is-right"><a href="#">Top ↑</a></div>
                                                                                                                                                                                                                                                                                                                      >

Pièce 28 - Chape double à renforts latéraux

Difficulté : ★★

                                                                                                                                                                                                                                                                                                                      <div class="divider is-right"><a href="#">Top ↑</a></div>
                                                                                                                                                                                                                                                                                                                      >

Pièce 29 - Bras articulé renforcé

Difficulté : ★★

                                                                                                                                                                                                                                                                                                                      <div class="divider is-right"><a href="#">Top ↑</a></div>
                                                                                                                                                                                                                                                                                                                      >

Pièce 30 - Support triangulé ajouré

Difficulté : ★★

                                                                                                                                                                                                                                                                                                                      <div class="divider is-right"><a href="#">Top ↑</a></div>
                                                                                                                                                                                                                                                                                                                      >

Pièce 31 - Corps galbé à ouïes

Difficulté : ★★

                                                                                                                                                                                                                                                                                                                      <div class="divider is-right"><a href="#">Top ↑</a></div>
                                                                                                                                                                                                                                                                                                                      >

Pièce 32 - Support à perçages multiples

Difficulté : ★★

                                                                                                                                                                                                                                                                                                                      <div class="divider is-right"><a href="#">Top ↑</a></div>
                                                                                                                                                                                                                                                                                                                      >

Pièce 33 - Support en U sur embase

Difficulté : ★★

                                                                                                                                                                                                                                                                                                                      <div class="divider is-right"><a href="#">Top ↑</a></div>
                                                                                                                                                                                                                                                                                                                      >

Pièce 34 - Support de palier à flasques

Difficulté : ★★

                                                                                                                                                                                                                                                                                                                      <div class="divider is-right"><a href="#">Top ↑</a></div>
                                                                                                                                                                                                                                                                                                                      >

Pièce 35 - Équerre de palier

Difficulté : ★★

                                                                                                                                                                                                                                                                                                                      <div class="divider is-right"><a href="#">Top ↑</a></div>
                                                                                                                                                                                                                                                                                                                      >

Pièce 36 - Poignée profilée

Difficulté : ★★

                                                                                                                                                                                                                                                                                                                      <div class="divider is-right"><a href="#">Top ↑</a></div>
                                                                                                                                                                                                                                                                                                                      >

Pièce 37 - Console à renfort cintré

Difficulté : ★★

                                                                                                                                                                                                                                                                                                                      <div class="divider is-right"><a href="#">Top ↑</a></div>
                                                                                                                                                                                                                                                                                                                      >

Pièce 38 - Support d’axe à embase

Difficulté : ★★

                                                                                                                                                                                                                                                                                                                      <div class="divider is-right"><a href="#">Top ↑</a></div>
                                                                                                                                                                                                                                                                                                                      >

Pièce 39 - Support d’articulation sur platine

Difficulté : ★★

                                                                                                                                                                                                                                                                                                                      <div class="divider is-right"><a href="#">Top ↑</a></div>
                                                                                                                                                                                                                                                                                                                      >

Pièce 40 - Biellette à anneau

Difficulté : ★★

                                                                                                                                                                                                                                                                                                                      <div class="divider is-right"><a href="#">Top ↑</a></div>
                                                                                                                                                                                                                                                                                                                      >

Pièce 41 - Jonction tubulaire multi-axes

Difficulté : ★★

                                                                                                                                                                                                                                                                                                                      <div class="divider is-right"><a href="#">Top ↑</a></div>
                                                                                                                                                                                                                                                                                                                      >

Pièce 42 - Chape à platine et lumière

Difficulté : ★★

                                                                                                                                                                                                                                                                                                                      <div class="divider is-right"><a href="#">Top ↑</a></div>
                                                                                                                                                                                                                                                                                                                      >

Pièce 43 - Chape sur fût cylindrique

Difficulté : ★★

                                                                                                                                                                                                                                                                                                                      <div class="divider is-right"><a href="#">Top ↑</a></div>
                                                                                                                                                                                                                                                                                                                      >

Pièce 44 - Collier de serrage à patte

Difficulté : ★★

                                                                                                                                                                                                                                                                                                                      <div class="divider is-right"><a href="#">Top ↑</a></div>
                                                                                                                                                                                                                                                                                                                      >

Pièce 45 - Support à trois points d’articulation

Difficulté : ★★

                                                                                                                                                                                                                                                                                                                      <div class="divider is-right"><a href="#">Top ↑</a></div>
                                                                                                                                                                                                                                                                                                                      >

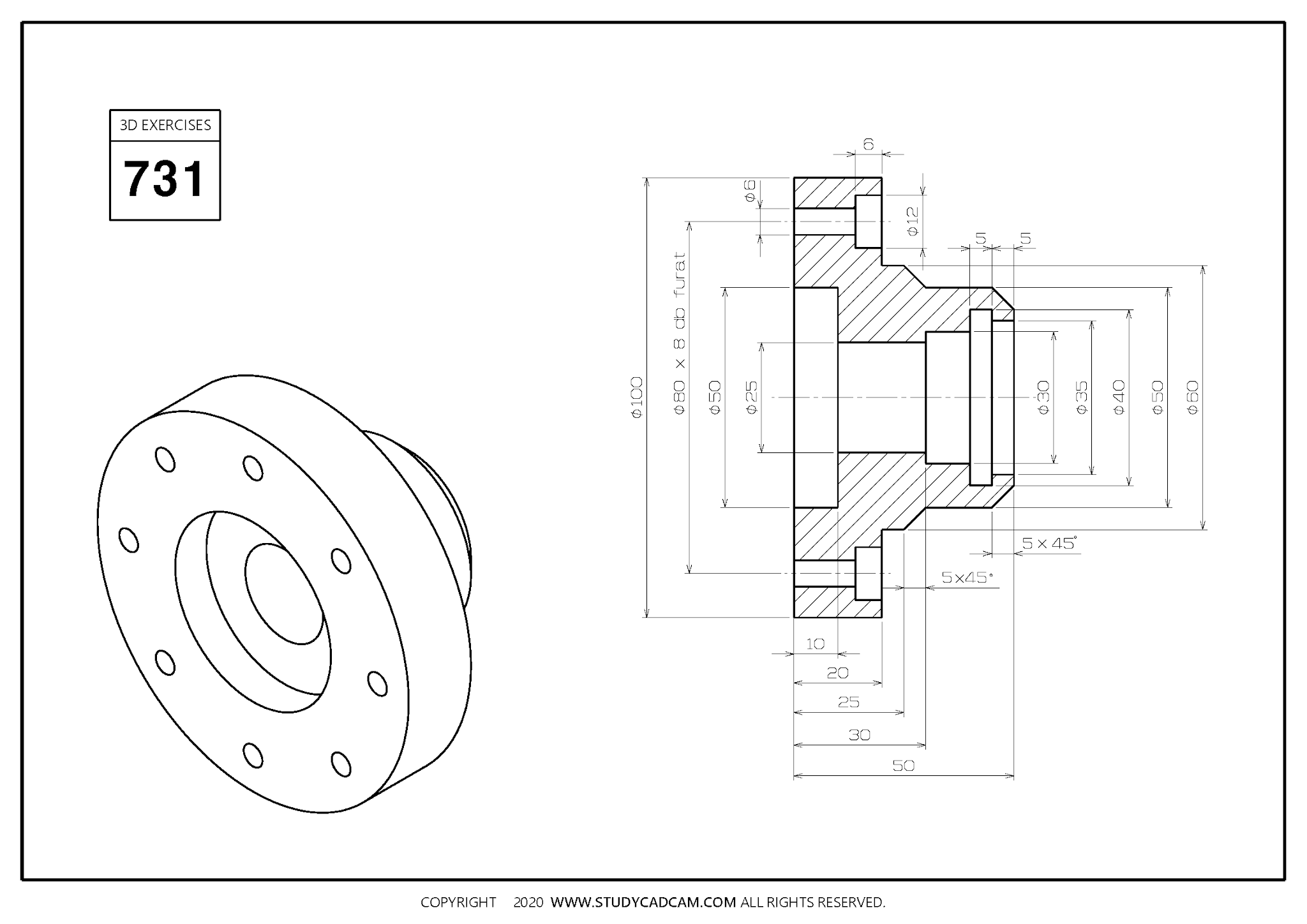
Pièce 731 - Bride à collerette

Difficulté : ★★

                                                                                                                                                                                                                                                                                                                      <div class="divider is-right"><a href="#">Top ↑</a></div>
                                                                                                                                                                                                                                                                                                                      >